襯氟閥門

襯氟球閥產品用途:
Q41F46 襯氟球閥內腔及球體均采用高壓注塑工藝襯有耐腐蝕、耐老化的聚全氟乙丙?。‵46),故具有可靠的耐腐蝕性和密封性。廣泛用于化工、石油、冶金、醫藥等工業部門,實現對生產過程中酸、堿等強腐蝕介質的調節或切斷,在水處理過程控制中使用效果明顯。
Q41F46襯氟球閥產品特點:
1、采用FEP襯里層的球閥,具有極高的化學穩定性,可以適用除“熔融堿金屬和元素氟”,以外其它任何強腐蝕性質
2、采用全通徑、浮動球結構,閥門可在整個壓力范圍內進行無泄漏關閉,更便于管路系統的通球掃線和管路維護
3、啟閉件球件與閥桿鑄(鍛)為一體,杜絕了由于壓力變化引起閥桿沖出承壓件內的可能性,從根本上保證了工程中的使用安全性
4、結構緊湊合理,閥體內腔空間 小,減小了介質滯留,另外,特殊的模壓工藝,使密封面致密度良好,加之人字環形PTFE填料組合,使閥門達到零泄漏
5、兩片式、三片式結構可適應各種不同要求的管路系統和工況條件,其中三片球閥允許主閥體與兩側閥體分離,可實現在線快速更換。
Q41F46襯氟球閥執行標準:
設計標準:GB12237
結構長度:GB12221
法蘭標準:JB/T79-94 GB9113.1-26
檢驗試驗:JB/T9092-99
Q41F46襯氟球閥零件材料表:
序號 | 零件名稱 | 灰鑄鐵 | 鑄鋼 | 不銹耐酸鑄鋼 | 超低碳不銹耐酸鑄鋼 | ||
Z | C | P | R | PL | RL | ||
1 | 閥體/閥蓋 | HT250 | WCB | CF8 | CF8M | CF3 | CF3M |
2 | 球體/閥桿 | WCB | CF8 | CF8M | CF3 | CF3M | |
3 | 襯里/閥座 | PCTEF(F3),FEP(F46),PFA(可溶F4),PP,PO | |||||
4 | 填料壓蓋 | WCB | CF8 | CF8M | CF3 | CF3M | |
5 | 填料 | PTFE(F4) | PTFE(F4) | PTFE(F4) | |||
6 | 支架 | 35 | 1Cr18Ni9Ti | 1Cr18Ni9Ti | |||
7 | 螺栓 | 35 | Cr17Ni2 | 1Cr18Ni2 | |||
8 | 緊固螺母 | 45 | 0Cr18Ni9 | 0Cr18Ni9 | |||
9 | 操作手柄 | WCB | WCB | WCB |
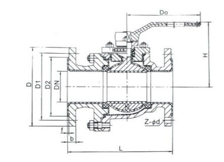
Q41F46襯氟球閥--主要外形和連接尺寸:

公稱通經 | L | D | D1 | D2 | f | b | Z-φd | |
DN(mm) | NPS(inch) | PN1.0MPa | ||||||
15 | 1/2 | 130 | 95 | 65 | 45 | 2 | 14 | 4-φ14 |
20 | 3/4 | 140 | 105 | 75 | 55 | 2 | 16 | 4-φ14 |
25 | 1 | 150 | 115 | 85 | 65 | 2 | 16 | 4-φ14 |
32 | 5/4 | 165 | 135 | 100 | 78 | 2 | 18 | 4-φ18 |
40 | 3/2 | 180 | 145 | 110 | 85 | 3 | 18 | 4-φ18 |
50 | 2 | 200 | 160 | 125 | 100 | 3 | 20 | 4-φ18 |
65 | 5/2 | 220 | 180 | 145 | 120 | 3 | 20 | 4-φ18 |
80 | 3 | 250 | 195 | 160 | 135 | 3 | 22 | 4-φ18 |
100 | 4 | 280 | 215 | 180 | 155 | 3 | 22 | 8-φ18 |
125 | 5 | 320 | 245 | 210 | 185 | 3 | 24 | 8-φ18 |
150 | 6 | 360 | 280 | 240 | 210 | 3 | 24 | 8-φ23 |
200 | 8 | 457 | 335 | 295 | 265 | 3 | 26 | 8-φ23 |
250 | 10 | 533 | 390 | 350 | 320 | 3 | 28 | 12-φ23 |
PN1.6MPa | ||||||||
15 | 1/2 | 130 | 95 | 65 | 45 | 2 | 14 | 4-φ14 |
20 | 3/4 | 130 | 105 | 75 | 55 | 2 | 16 | 4-φ14 |
25 | 1 | 140 | 115 | 85 | 65 | 2 | 16 | 4-φ14 |
32 | 5/4 | 165 | 135 | 100 | 78 | 2 | 18 | 4-φ18 |
40 | 3/2 | 165 | 145 | 110 | 85 | 3 | 18 | 4-φ18 |
50 | 2 | 203 | 160 | 125 | 100 | 3 | 20 | 4-φ18 |
65 | 5/2 | 222 | 180 | 145 | 120 | 3 | 20 | 4-φ18 |
80 | 3 | 241 | 195 | 160 | 135 | 3 | 22 | 8-φ18 |
100 | 4 | 305 | 215 | 180 | 155 | 3 | 24 | 8-φ18 |
125 | 5 | 356 | 245 | 210 | 185 | 3 | 26 | 8-φ18 |
150 | 6 | 394 | 280 | 240 | 210 | 3 | 28 | 8-φ23 |
200 | 8 | 457 | 335 | 295 | 265 | 3 | 30 | 12-φ23 |
相關產品